Urinetown
Urinetown The Musical
URINETOWN
The Conservatory Of Theatre Arts At Webster University
design
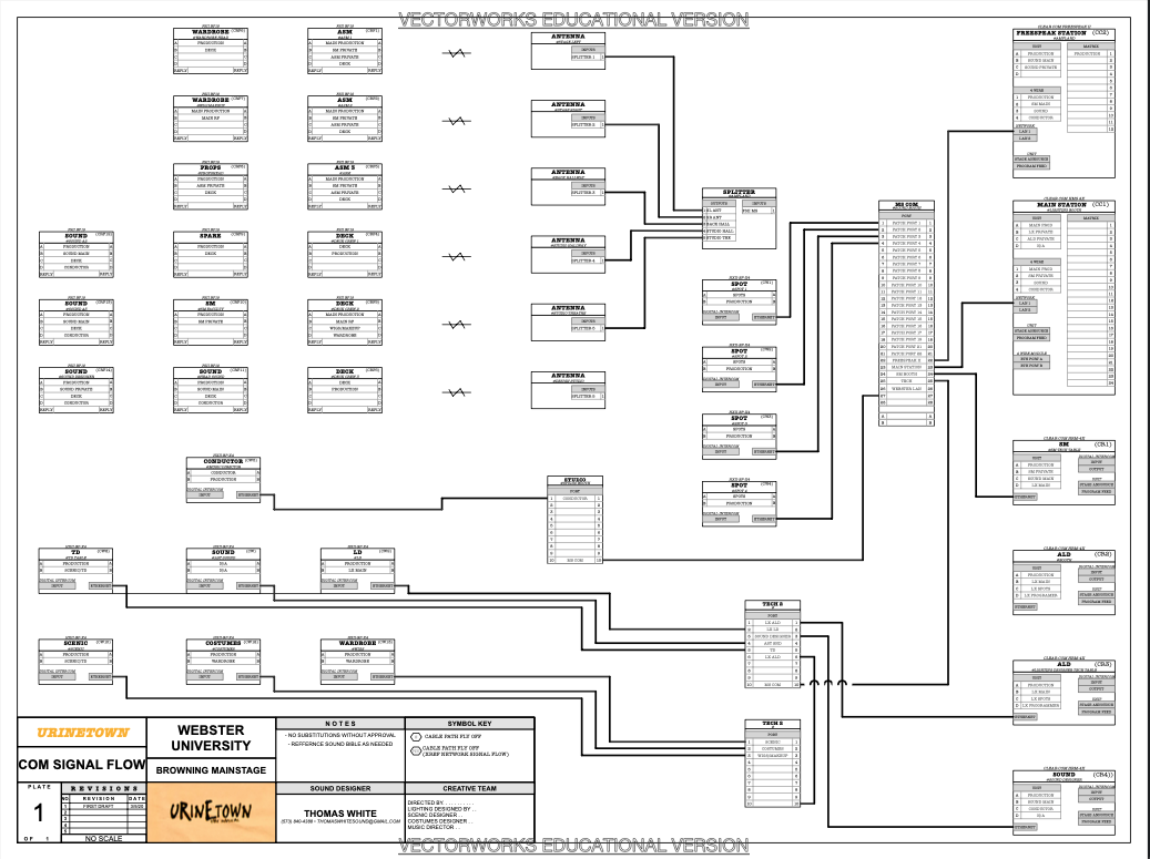
Going into the production I knew that we would have several unique challenges to solve due to being in a pandemic to make it possible. From having the orchestra be in a separate location, as well as having almost a completely different design for the recording aspect and the regular room mix. We ended up with a full video support system providing stage views, and music director views across the entire building totaling up to 23 displays.
Additionally, this production used three Digico Sound consoles totaling 256 inputs and over 70 outputs. Using an assortment of Meyer, Martin, QSC, and SLS speakers. Over 27 RF microphones for the entire cast, with leads double mic’d, hat placements, and instrument. In addition we used KLAND:FABRIK to create an immersive 3D space, adapter what was happening in the room for the broadcast recording.




















Music and lyrics By - Mark Hollmann
Book and lyrics By - Greg Kotis
Directed By - Jamie McKittrick
Music Director - Jeremy Jacobs
Sound Department
Sound Designer - Thomas White
Assistant Sound Designer - Katelyn Gillette
A1 (FOH Mixer) - Artez Gilmore
A2 - Victoria Esquivel
A3 (Broadcast Mixer) - Maddy Herwig
Creative Team
Lighting Designer - Catherine Adams
Scenic Designer - Eddie Teshara
Costume Designer - Lucy Garlich
Hair & Makeup Designer - Charlotte Seidensticker